Sécheur d’air S-AIR POWER+
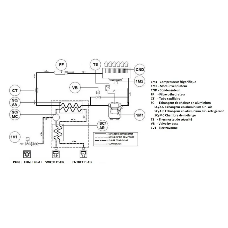
La fiabilité de la technologie de détente directe assure une réduction immédiate de la température de rosée à 3°C. Les composants robustes, le contrôleur électronique et l’afficheur de l’échangeur équipent le sécheur d’air. Notre gamme se distingue par sa simplicité d’utilisation, réduisant ainsi au minimum la consommation d’énergie.
- Fiabilité des composants et matériaux
- Démarrage et séchage rapide sans délai
- Facilité d’entretien
- Fiabilité prouvée
- Adapté aux longues utilisations
- L’afficheur vous permet de contrôler la température sur l’écran (contrôle aussi sur l’échangeur)
- Possibilité d’ajouter des filtres
- Compatible avec les gaz réfrigérant R134a et R407C
Produit à associer à nos compresseurs d’air et nos cabines de peinture mobiles
Raccord distribution d’air Sécheur d’air S-AIR POWER + :
S-AIR POWER + : 54 -75 -106 : Raccord G 3/4″ F
S-AIR POWER + : 144 – 180 – 216 : Raccord G 1″ F
Limites d’emploi du Sécheur d’air S-AIR POWER + :
Pression du fluide PS : 16 bar
Température de service TS : 0C / 70C
Température ambiante : +5C / +50C
Vous pouvez retrouver toute la fiche technique d’installation, utilisation des Sécheur d’air S-air Power+ ici et notice de montage ici.
A monter soi-même ou par un professionnel














Avis
Il n’y a pas encore d’avis.